
【前沿预告】IV测试干货矩阵来袭,德雷射科邀您共探专业深度!
从本月起,德雷射科将在公众号、抖音号等平台,正式开启「IV测试专业内容矩阵」更新计划——
这里有权威的标准规范梳理,明晰测试领域的技术准则与合规要点;
有透彻的测试原理拆解,从基础逻辑到进阶机制,层层讲透核心本质;
有实用的操作技巧指南,让设备效能在实操中精准释放;
更有贴心的维修保养秘籍,延长设备寿命、保障测试稳定性……
无论您是深耕行业的技术专家,还是刚接触IV测试的新手,这些系统化内容都将为您提供参考与启发。
持续关注德雷射科公众号、抖音号,我们将以专业视角,陪您一步步解锁IV测试的深度价值。
干货已备好,就等您来一一点击「关注」,不错过每一期硬核内容~

模拟光源在高压电源的驱动下闪光,并持续一定的时间(通常:10-100ms),光伏组件在光照条件下产生一定的电流与电压;
而电子负载和被测光伏组件形成一个完整回路,在计算机及软件的控制下,根据测试的需要,动态地与光伏电池连接或断开,以便准确地测试光伏电池的开路电压、短路电流,并描绘电池I-V特性曲线整个过程,测试最佳工作点功率及工作点电压和电流。
电子负载通常为多量程负载,可以根据被测电池板的参数范围,选择最恰当的档位,以便实现测试数据的最优化。


工作原理:
① 测试前K闭合,Vc=0;
② 测试开始时,电流流经K,I=ISC;
③ K打开,开始向电容C充电,Vc上升,I下降;
④ 直到Vc=VOC,I=0;
⑤ 测试结束。

工作原理:
① 测试开始前,K闭合,K1~Kn全部闭合;
② 测试开始,I=Isc;
③ K1~Kn按照事先规定的顺序开启/闭合,I逐渐减小,V逐渐上升;
④ 直到全部都开启,最后K开启,I=0,V=Voc;
⑤ 这个顺序也可以反过来。

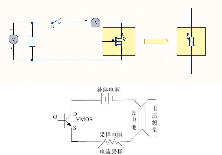
工作原理:
① 测试前,K闭合,Vg=15V,Q全部导通,Rds≈0;
② 测试开始,I=Isc,V≈0;
③ Vg逐渐减小,Q逐渐关闭,Rds上升,I减小,V上升;
④ 结束时,Rds≈∞,V=Voc,I=0;
⑤ 上述过程可以反过来。

四象限源表测试原理:
在太阳能电池两端外加一个可精准调节的偏压,正负方向与太阳能电池光生电压相反,这样外加偏压就是起了抵消太阳能电池产生的光电压的作用。同时我们还能测量回路中的电流。太阳能电池IV特性测试是在标准光照测试条件下进行的。四象限源表被设置为一个电压扫描输出并测量相应的电流值。根据开路电压的大小,我们可以调整电压的步幅,比如每次步进0.02V或者0.01V。
当外加偏压为0时,这时回路就相当于短路,但是由于电池内部也是有阻抗的,测试得到的电流不是无穷大而是有一个有限值,这就是短路电流;调节电压源大小,当测试得到电流正好为0时,外接电压则正好等于电池电压,称之为开路电压。
四象限源表不仅可以精准测试太阳能电池亮场IV特性,而且方便测试测试暗场IV特性,加负电压测试漏电流,暗场正电压负电流。
可编程阻性电子负载是当下最优负载技术,下面着重讲解一下该负载技术的几种主流应用场景及基本原理:
可编程阻性电子负载可以理解等效为一个:滑动变阻器,后续的描述中用滑动变阻器代替电子负载。


工作原理简述:
① 滑动变阻器匀速滑动,不同时间段的电压变化率(dV/dt)相同;
② 阻值从0滑动到无穷大(∞),该过程测试I-V参数变化为:起始短路状态,电流最大(Isc),电压为0,最终断路状态,电流为0,电压从0逐渐升高到电压最高(Voc),这也就是我们通常所说I-V扫描模式;
③ 阻值从无穷大(∞)滑动到0,此过程测试I-V参数变化为:起始开路状态,电流为0,电压最大(Voc),最终短路状态,电流最大(Isc),电压为0,这也就是我们通常所说的V-I扫描模式;
④ 应用场景:容性不强的普通单多晶光伏组件I-V测试;

工作原理简述:
① 滑动变阻器非匀速滑动,在短路及开路两个端点处,因只测试Isc与Voc两个值,因此,滑动变阻器可以快速滑动,以便节省出足够的时间,在最大功率点附近,滑动速度放缓,用于降低在最大功率点的电压变化率(dV/dt),该测试方式,不同时间段的电压变化率(dV/dt)不相同;
② 阻值的变化过程同线性扫描模式,可以从0到无穷大(∞),也可以从无穷大(∞)变化为0,实现I-V与V-I的扫描方式随意切换;
③ 为适应不同光伏组件类型及版型的精准测量,建议拐点1与拐点2可以开放;
④ 应用场景:容性较强的PERC光伏组件I-V测试;

工作原理简述:
① 滑动变阻器非匀速滑动,在短路及开路处,滑动变阻器快速滑动,在最大功率点附近,滑动到一定阻值(r1),停留一段时间(ms级别),再继续滑动到下一个阻值(r2),再停留一段时间,依次往复,该测试方式,不同时间段的电压变化率(dV/dt)不相同,停留时间内dV/dt=0;
② 阻值的变化过程同线性扫描模式,可以从0到无穷大(∞),也可以从无穷大(∞)变化为0,实现I-V与V-I的扫描随意切换;
③ 该测试方法原理类似离散式阻性电子负载,非连续,容易错过最大功率点,对标版的依赖性较强,建议长脉冲叠加该方法使用;

工作原理简述:
① 在一次双光过程中,电子负载完成I-V与V-I的双向扫描测试,输出两组IV曲线,并可以通过比较验证容性是否克服,若有磁滞偏离现象,则通过算法输出综合数据;
② 在单方向扫描过程中可以采用线性扫描也可以采用非线性扫描模式;
③ 该测试方法对脉冲宽度要求较高:设定脉宽的2倍;
④ 该测试方法的综合数据是依据正反扫算法得来,非实测;
⑤ 应用场景:容性很强的HJT、TopCon光伏组件I-V测试;

工作原理简述:
① 设置分段测试次数(举例:5次),则是把电压(V)平均分为5段,每段只测试其中一段IV曲线,完成所有的测试后,再拟合成完整的最终曲线及数据;
② 在单方向扫描过程中可以采用线性扫描也可以采用非线性扫描模式;
③ 该测试方法的依据被测样品的容性强弱,对测试次数差异较大,PERC在6-8分段,IBC在30-50分段,HJT、TopCon:50-60分段也无法完全克服容性;
④ 应用场景:实验室、三方机构,工厂不适用;
逐次逼近(SAT)测试模式
【德雷射科发明专利:CN202110083871.4】

工作原理简述:
① 第1-2次闪光完成完整的I-V(电阻变化:0-∞)与V-I(电阻变化:∞-0)测试;
② 分别得到最大功率点所在位置范围R1、R2(此时的R1、R2值未必是精准的最大功率点);
③ 第3-4次闪光依据2)中得到的R1、R2值,在一定范围内,完成包含R1、R2的局部I-V(电阻变化:Ra-Rb)与V-I(电阻变化:Rb-Ra)测试,此时的dV减少,dt不变,并比较正反扫测试得到的两组数据的差异,比较是否在设定的允差范围内,若是,则测试停止,若否,继续下面步骤;
④ 第3-4次闪光分别得到最新的最大功率点所在位置范围R3、R4(此时的R3、R4值也未必是精准的最大功率点),依次重复1-3步骤,直到正反向扫描完全满足设定的阈值范围,则测试完成;
⑤ 在单方向扫描过程中可以采用线性扫描也可以采用非线性扫描模式;
⑥ 该测试方法对客户开放阈值设定、系统自动测试,不依赖标版、不依赖脉宽,在较少的闪光次数(HJT:8-10次、TopCon:4-6次)可以有效克服HJT、TopCon容性,做到精确测试;
⑦ 应用场景:检测机构、企业研发实验室、三方机构;
稳态光源太阳能组扫描测试模式

持续最大功率点跟踪(MPPT)测试:
运用微扰算法,测试过程中不断地反馈修正太阳能电池的最大功率点位置,使电池长时间保持在最大功率放电状态,放电过程实时监控输出功率,通过设定测试时长和扫描间隔时间采集记录最大功率随时间变化的值和P-t曲线。

动态IV测试:
在最大功率点附近接近Vmp位置,设定一个电压值V,在这个电压条件下,一直采样对应的电流值I,直到该电流I稳定了,则计算对应的P值,再去变换另一电压值,循环往复,直到计算出来最大功率Pmax。
线性扫描(LCS/LVS):
最常用的激励方式。算法控制电子负载产生一个高度线性、斜率恒定的电流(LCS)或电压(LVS)变化。例如,在 LCS 模式下,电流Iload(t)=K*t(K是斜率,单位 A/s)。这个受控的、已知的、快速的扰动是整个算法的基础。
为什么线性?
线性扫描简化了后续的数学处理。对于电容效应,IC=CdV/dt。在 LCS 中,dI/dt 是常数dV/dt 虽然不一定是常数,但其变化相对可控;在 LVS 中,dV/dt 是常数,dI/dt的变化可控。这比随机或阶跃扰动更容易建模和分析。
算法设定参数:
算法需要精确设定扫描的起始点(通常接近 0V 或 0A)、终止点(略大于预期 Voc 或 lsc)、扫描速度/斜率(K)和总扫描时间(Tsweep)这些参数的选择是算法成功的关键。


中文简体
English

